WOHLER
iAM2-8
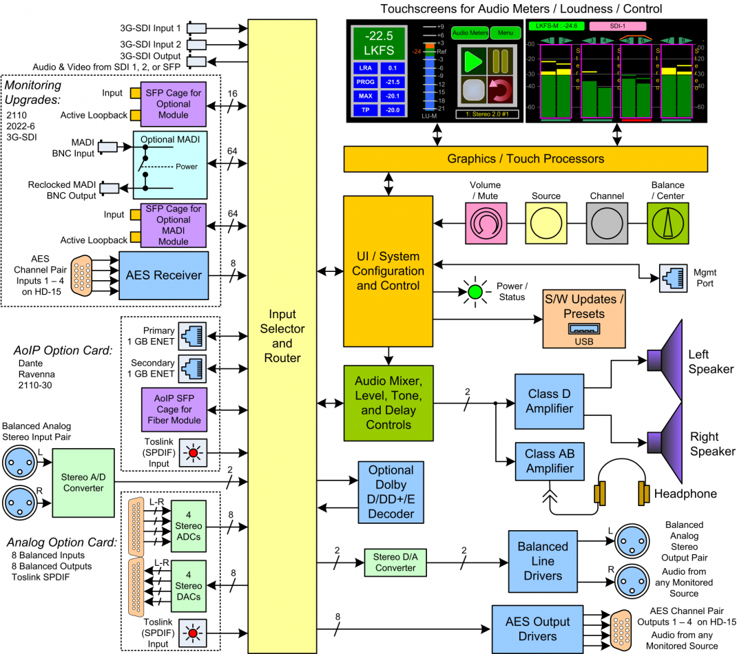
2RU Dual screen, 8 channel Dual Input, 3G/HD/SD-SDI, Audio Monitor with touch screen control. Includes a pair of analog Inputs and outputs on XLR. Includes Loudness, phase monitoring and up to 64 presets
Actuellement indisponible
Prix catalogue
CHF 5'579.00
Description
Le iAM2-8 est un moniteur audio à 8 canaux, prêt pour l'IP et à un prix compétitif. Il partage de nombreuses caractéristiques avec notre iAM-AUDIO-2 PLUS à 16 canaux. L'iAM2-8 est conçu pour être facile à utiliser, offrant un accès rapide aux compteurs, aux menus et aux préréglages.Flexible. Adaptable. À l'épreuve du temps.
Les caractéristiques standard comprennent le 3G-SDI et une paire d'entrées et de sorties analogiques. Il est possible de mettre à niveau/licencier d'autres formats de signaux et options de traitement, en fonction des besoins, soit au départ, soit après l'achat. Les options pour les signaux supplémentaires comprennent DanteTM ou RavennaTM (avec support hitless 2022-7), SMPTE-2110, SMPTE-2022-7, AES3 et MADI.
Capable de fonctionner en réseau avec des options d'accès à distance :
L'unité comprend un support intégré pour le contrôle à distance fourni par notre suite d'applications logicielles MAVRIC. Tous les moniteurs de la série iAM contiennent un serveur web intégré. Plusieurs unités sur le même réseau peuvent être mises à jour, surveillées et contrôlées via une interface utilisateur basée sur le web.
CARACTERISTIQUES ET AVANTAGES
- Contrôle audio (jusqu'à 8 canaux) à partir de sources multiples.
- E/S standard : 2 entrées 3G-SDI sur BNC ; 1 sortie 3G-SDI sur BNC + 1 paire d'entrées/sorties analogiques sur XLR
- Cartes optionnelles : Choisissez entre l'AoIP, 8 canaux supplémentaires d'entrées et de sorties analogiques, 2 cages SFP supplémentaires ou une carte optionnelle 12G/MAVRIC.
- Stockez et récupérez jusqu'à 64 préréglages
- Le routage de sortie optionnel permet d'acheminer les signaux d'entrée vers différentes sorties
- Mesure l'intensité sonore en utilisant les normes ITU-R BS.1770 ou EBU R128
- Haut-parleurs intégrés, prise casque, ports USB et Ethernet avec API pour la gestion à distance
- Logiciel pouvant être mis à niveau individuellement via USB ou plusieurs unités sur le même réseau
- Sonde de surveillance à distance intégrée pour l'audio uniquement. Nécessite un abonnement à la télésurveillance MAVRIC.
Spécifications
- Consommation électrique / Alimentation : 60W, 100 à 240 VAC ± 10%, 50-60 Hz, approuvé CE & UL
- Type d'affichage / Résolution : 2 x 4. 3" (109 mm) Écran tactile capacitif LCD ; 480H x 272V
- Angle de visualisation : 160° (H) x 160° (V)
- Canaux audio : 8 Max
- Hum et bruit : Mieux que -68 dB sous la pleine sortie
- Sortie acoustique de crête : 104 dB SPL @ 2 pieds
- Puissance de sortie des haut-parleurs : 15W RMS par côté, 30W Peak
- Mises à niveau : Via USB ou interface web GUI
- APIs : Facilitent l'intégration avec les systèmes de contrôle tiers
-
Dimensions (L x H x P) :
- 2RU dans un rack standard de 19" : 19" x 3,5" x 5,5" (483 mm x 89 mm x 140 mm)
- Dimensions d'expédition : 24" x 8" x 17"
- Poids d'expédition / Poids net : 4,5 kg / 3,6 kg
Numéro d'article : IAMAUDIO28

